Materiais Utilizados
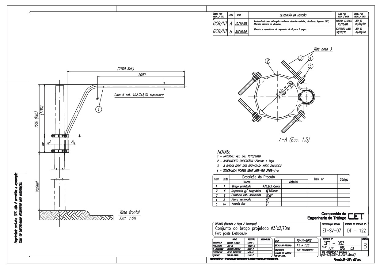
Produzido em tubo de aço galvanizado - SAE 1020. Braço 76,20 (3”) parede de 3,75mm.
Braço projetado em aço galvanizado SAE 1020, ideal para fixação de placas em poste CEEE, com acabamento resistente e durável.
Braço projetado ou braço light. Acabamento deve ser galvanizado a fogo com tampa na extremidade horizontal.
O braço projetado, também conhecido como braço light, é fabricado em tubo de aço galvanizado SAE 1020, com diâmetro de 76,20 mm (3") e parede de 3,75 mm, oferecendo robustez e resistência mecânica. Seu acabamento é galvanizado a fogo, com tampa na extremidade horizontal, garantindo maior proteção contra corrosão. A fixação é feita por meio de um sistema de abraçadeira com espessura de 5/16”, dividido em quatro partes de 90º, equipado com quatro parafusos de aço galvanizado 5/8”x6”, arruelas de pressão e porcas sextavadas. Projetado especificamente para instalação em postes CEEE, é recomendado para placas no formato 200x100 mm, sendo ideal para sinalizações que exigem projeção e visibilidade elevada.